3Dスキャナ型三次元測定機
- 測定範囲
- 低倍
- φ500mm×H200mm
- 高倍
- φ110mm×H50mm
- 表示分解能
- 0.1μm
- 繰返し精度σ
- 2μm
- 測定精度
- ±10μm
               金型、部品現物を
3Dスキャナにて測定し、
               図面化、機械加工による
製作まで可能です。
            
 
          
                
                
                
         
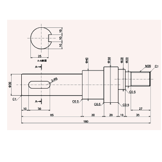
            機械を分解し構造を明らかにしたり、部品そのものを測定・分析し図面化したりすることです。
部品現物から起こした図面をもとに機械加工まで行い部品を複製します。
            「設備の部品交換をしたいが、メーカーが生産中止していて必要な部品が入手できない」
「部品調達したくても加工図面がない」といったお困りごとをリバースエンジニアリングで解決します。
            
「部品」を元に「図面」を作成する
 
                   
                   
                  「図面」を元に「部品」を加工する
 
                   
                   
                   
         
          
         
         アルミ、ステンレス、鉄、鋼、銅、樹脂・プラスチック、ゴム、その他
L1,000程度 ※三次元測定機(X700×Y1000×Z600mm)で測定可能な範囲が最大となります。
重量25kg以内 ※それ以上の重量物については測定不可となります。
※著作権、法律上、公序良俗の面から問題がありそうなのご依頼品、その他、弊社が対応不可と判断した内容については計測をお断りする場合がございます。
※pdf、dxfはデータ納品が可能です。
※CADデータは、別途お見積でデータ納品が可能です。
 
         ハンドリフターの足回り部品が破損してしまい製作メーカーへ部品交換を依頼しましたが、部品交換に2ヶ月以上掛かると言われました。作業工程の停止、必要不可欠だった為、最短での交換が必要な状況でした。
製造ラインで必要な工具だった為、最短で手配して欲しいというご相談内容でした。劣化・破損している部品でしたがメーカーの型番を基に何とか部品調達まで対応。結果、お問合せから交換部品の納品まで最短で「3週間」と大幅な納期短縮を実現しました。
 
          
                
         プレス金型のパーツを図面で管理しておらず、図面の無い部品については、金型製作元の工場に手配していました。金型工場の部品加工価格は非常に高くコストや納期もかかるため、調達方法の見直しを検討していました。
図面のない部品のスキャンモデリングデータから製図を行い、部品調達、検査まで実施して部品を納品。部品によっては約50%のコストダウンを実現しました。
 
          
                
         紡績工場で使用されている機械は、古い機械になると部品調達が難しいこともあります。欧米から日本に入ってきた古い紡績機のため、スペアメーカーからの部品調達もできない状態でした。
生産設備のため、部品が壊れ機械が停止となると大きな損害が出てしまう状況を解決するためにも、リバースエンジニアリングによるスペア部品の調達をさせていただきました。製造中止(ディスコン)で部品調達の手配にお困りのケースが非常に多いです。エージェンシーアシストでは、多種多様な材料や加工に対応できます。
 
          
                
         照明機器を新規開発することになりました。サンプル製作にあたり過去のモデルをベースに改良することに。こちらのモデルは、かなり古い機器になるので一部図面が見当たらない部品があり、材質や公差がわからないため対応に困っていました。
材料が不明な樹脂部品のリバースエンジニアリングを行いました。まずは現物のスキャンから作図までを完成させ、現物の素材と部品の機能要件から材料提案、試作部品を製作しました。部品が問題なく機能していることが確認できたため、量産製作へと移行し部品を全て納めることができました。
 
          
               *1:Z連結無し *2:Z連結あり *3:高倍 *4:低倍
            お見積りは無料です。
リバースエンジニアリングが可能か
お気軽にご相談下さい。
            
            
               基本料金(測定+作図)
 / 1時間
            
            15,000円〜
            
         ※人件費、機器使用料、検査プログラムの作成、検査成績書作成にかかる費用を含みます。
         ※別途、測定対象物の発送にかかる料金や検査に使用する治具購入費(必要な場合のみ)がお見積に含まれます。
         ※製図の提出拡張子は、pdf、dxfデータとなります。3Dデータの作成は別途費用が発生いたします。
         ※上記は測定内容により変動する場合がございます。詳細な価格はお見積にて算出いたします。
         
 
							 
							 
							 
							 
							※著作権、法律上、公序良俗の面から問題がありそうなのご依頼品、その他、弊社が対応不可と判断した内容については計測をお断りする場合がございます。
よくある質問
製図した段階で、この内容で良いかお客様のご承認を頂いたうえで部品調達に進めさせていただいております。 相手方との現物合せが必要な場 合は、作図時に相手方も支給頂ければ、嵌め合い具合を確認しながら対応することも可能です。 ※形状によっては難しい場合もあるため、都度 の確認となることご承知おきください。
当社で計測が完了したタイミング、もしくはデータ納品のタイミングで返却をさせていただくことが可能です。 お客様の現場のご状況によって は、即返却が必要な場合もございますので、可能な限りご要望に合わせて対応しております。
作図まで約1~3日でまで完了ができるケースもあります。その後、部品調達で10日~14日程度が目安となります。 ※案件の内容や状況により 納期は変動いたしますので、お見積時に詳細な納期感をご確認くださいませ。